GBP新蓄電システム
2025-04-11 08:17:27

再生可能エネルギー革命!GBPが新たな蓄電システムを発表

GBPが新たに提供する蓄電システムキュービクル



GBP株式会社が、太陽光発電に最適化された蓄電システムキュービクルの提供を開始しました。この新しいシステムは、再生可能エネルギーの利用を促進し、企業が閉じ込められたエネルギーを効率的に管理できるよう設計されています。

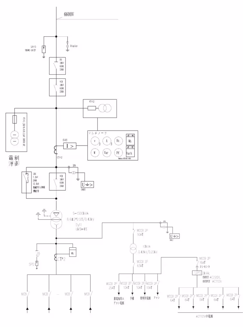
蓄電システムキュービクルの役割



当製品は、高圧受配電設備として機能し、蓄電システム(ESS)と電力系統をつなぐ重要な役割を果たします。特に、BCP(事業継続計画)対策においてもその能力が期待されています。災害や事故といった緊急時において、事業の継続および復旧を助けるための技術は、まさに企業にとって必要不可欠であると言えます。

電力を安全に送るための。この高圧盤は、蓄電池やPCS(パワーコンディショナー)からの電力を、インターフェース機器として系統へと送電します。保護、遮断、計測、通信の多彩な機能を一つに集約した点も見逃せません。

主な仕様


  • - 基本構成
高圧受電盤、主変圧器、PCS接続盤、低圧動力盤
  • - 高圧側定格電圧
6.6kV/3.3kV
  • - 低圧側定格電圧
カスタマイズ可能
  • - 電力周波数
50Hz/60Hz
  • - 容量範囲
500 kVAから2MVA
  • - 結線方式
Dyn11
  • - 保護機能
過電流、地絡、低電圧
  • - 対応PCS
多メーカーに対応
  • - 保護レベル
IP54

特徴と利点


1. 高い柔軟性


蓄電池の容量や接続回路、PCSの仕様など、顧客のニーズに応じて自由にカスタマイズできる点が大きな魅力です。これにより、企業は特定の条件下でも最適なシステムを手に入れることができます。

2. ワンストップ対応


設計から製造、据付、現地試験、点検まで一貫された流れで対応可能です。この連携により、導入後もしっかりとしたサポートが受けられる安心感があります。

3. 安全かつ効率的


多様な機能を集約し、コンパクトに設計されているため、安全かつ効率的な送配電が実現されます。これにより、再生可能エネルギーの導入をさらに加速させます。

まとめ


GBPの新しい蓄電システムキュービクルは、ただの電力供給装置ではなく、企業の持続可能な活動を可能にするための重要なツールです。再生可能エネルギーが求められる現代において、GBPが提供するこの新技術は、多くの企業にとって大きな利益をもたらすことでしょう。

興味がある方は、公式サイトのお問い合わせフォームからご連絡ください。新しいエネルギーの未来に向けてともに歩んでいきましょう。

GBPの人材採用も強化中!


GBPでは、スマートな再生可能エネルギービジョンを共有する仲間を求めています。高いチャレンジ精神を持つ方、一緒に新たな挑戦を楽しみましょう。

募集職種には、営業職から技術系エンジニア、施工管理、マーケティングなど多彩なポジションがあります。詳細は採用情報ページをご覧ください。


画像1

画像2

会社情報

会社名
GBP株式会社
住所
東京都千代田区神田須田町2-23-1 天翔オフィス 310室
電話番号
03-5244-4839

トピックス(エンタメ)

【記事の利用について】

タイトルと記事文章は、記事のあるページにリンクを張っていただければ、無料で利用できます。
※画像は、利用できませんのでご注意ください。

【リンクついて】

リンクフリーです。